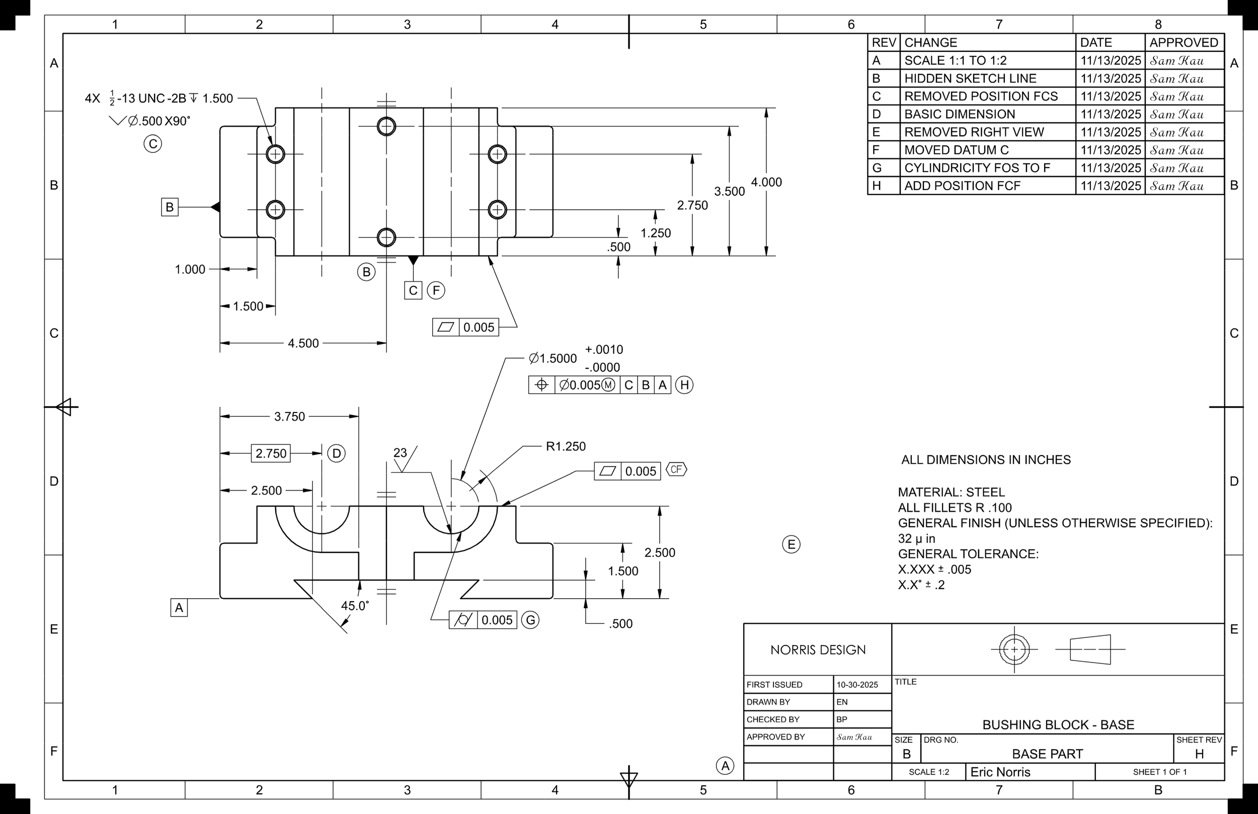
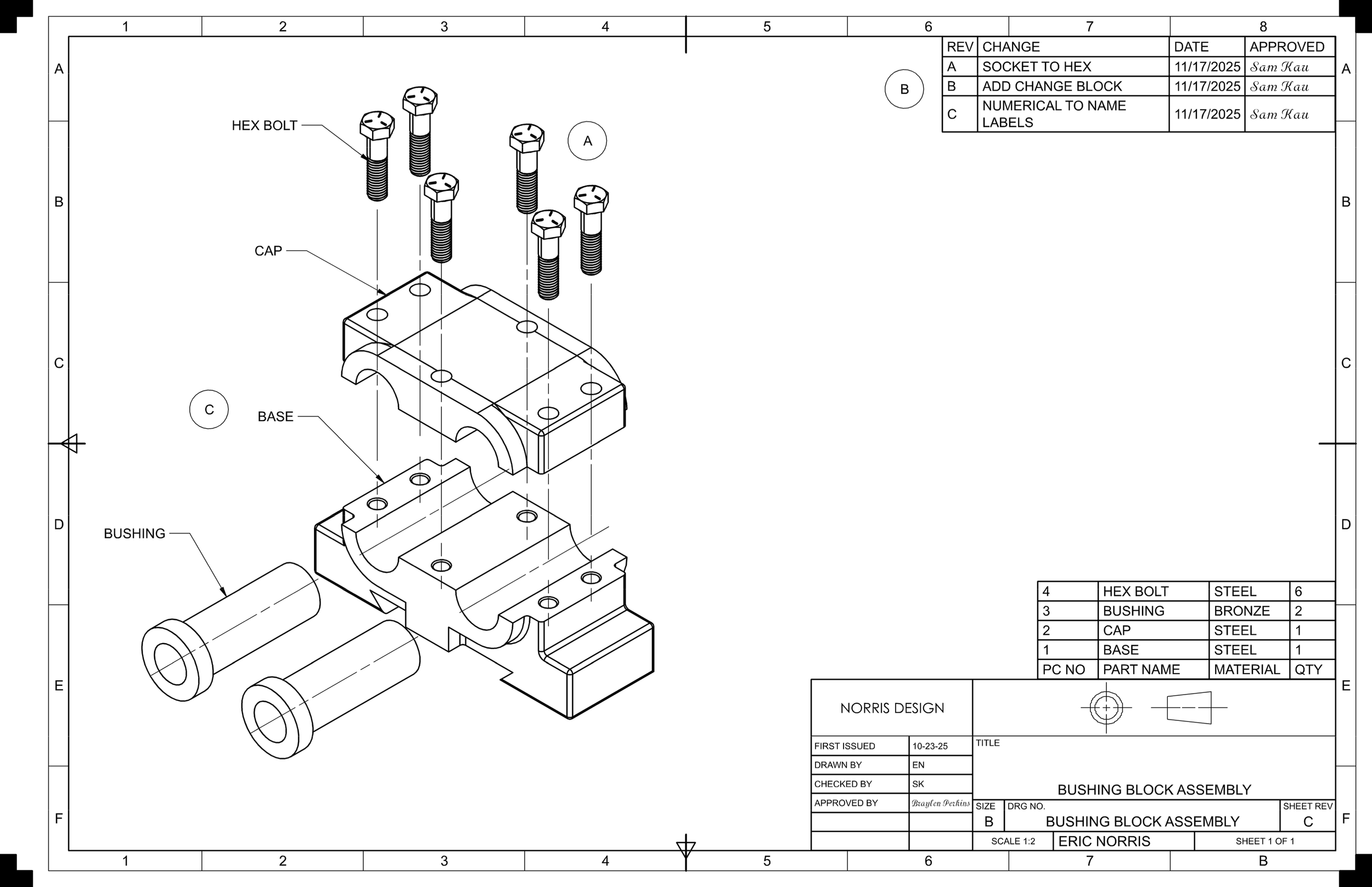
Bushing Block
This bushing block project showcases my GD&T skills with the ASME Y14.5 standard.
All drawings were completed in NX.
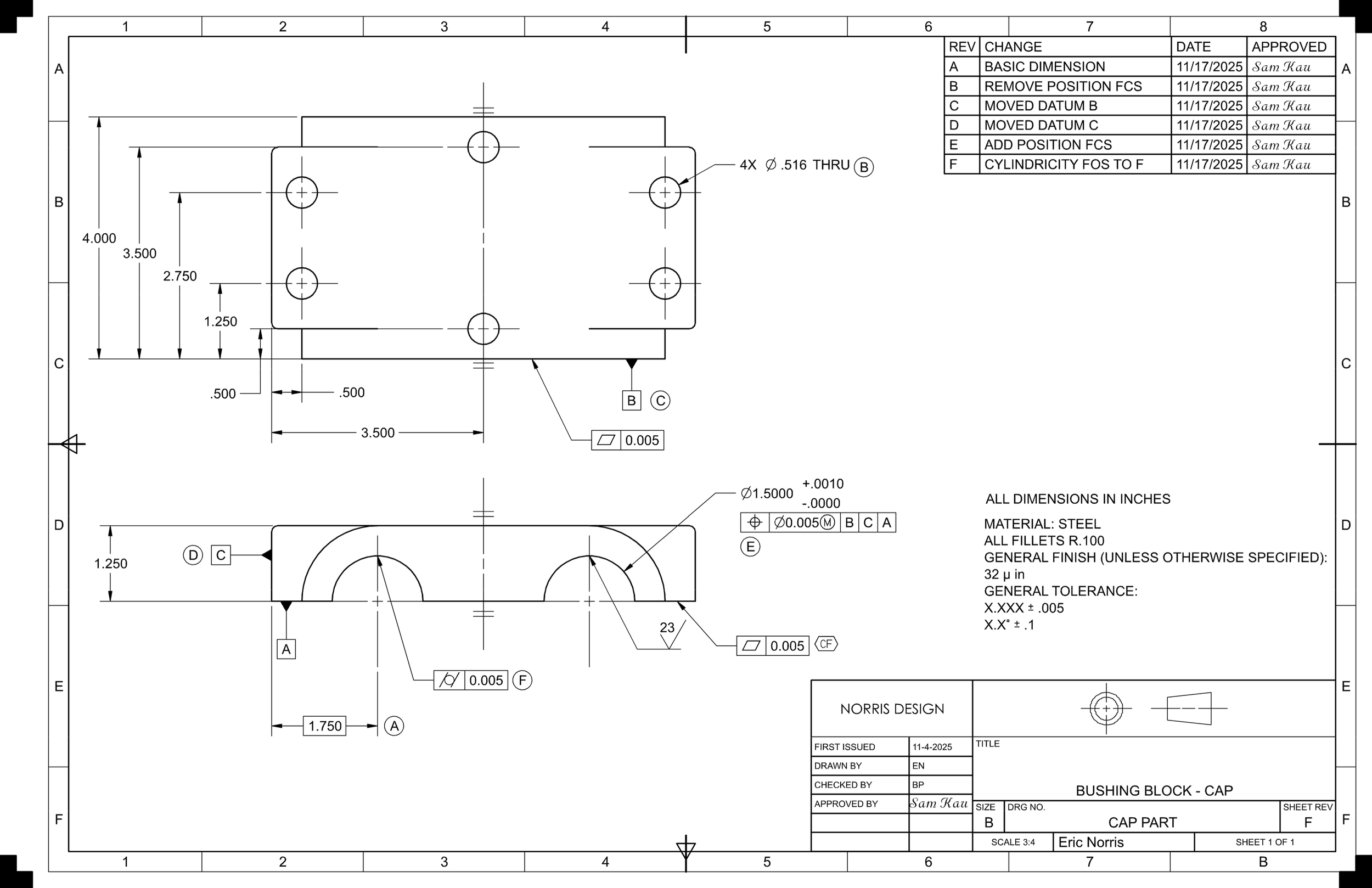
This bushing block project showcases my GD&T skills with the ASME Y14.5 standard.
All drawings were completed in NX.